ALTER 2000

ΠΛΟΗΓΗΣΗ

Αρχική Σελίδα Κεντρικό Μενού English

ΕΝΑΛΛΑΚΤΗΣ ΑΝΤΛΙΩΝ

enal


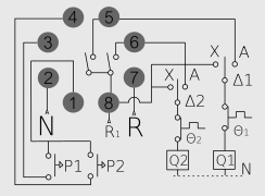
Ελέγχει τη λειτουργία δύο αντλιών βάζοντας τη μία ή την άλλη εναλλάξ να λειτουργήσει, κάθε φορά που υπάρχει ζήτηση για μία αντλία (Κλείνει ο Ρ1). Όταν υπάρχει ζήτηση για δύο αντλίες (κλείνει και ο Ρ2) μπαίνει και η δεύτερη με καθυστέρηση 4sec. Η τάση στους πιεσοστάτες είναι για λόγους ασφαλείας 9V DC.
Την εναλλάξ λειτουργία ελέγχει ο πιεσοστάτης Ρ1 και ρυθμίζεται υψηλότερα από τον Ρ2.


ΤΕΧΝΙΚΑ ΧΑΡΑΚΤΗΡΙΣΤΙΚΑ:
Τροφοδοσία: 220V AC 50 HZ
Κατανάλωση: 3VA MAX
Απομόνωση από την τάση του δικτύου με μετασχηματιστή: 2000V AC MAX
Μέγιστο ρεύμα επαφών: 10A AC
Μέγιστη τάση επαφών: 250V AC

Σύνδεση     Λειτουργία

 

 

 

Αρχική